Sipariş No : T0054462199

RTM 030 K MS

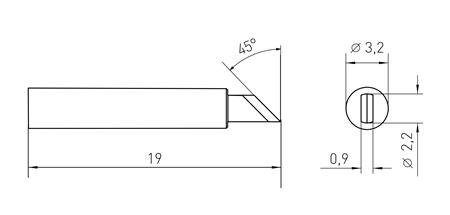
Bıçak Uç, Ø 3.0mm



RT mikro lehimleme ucu, bıçak Ø 3,0 mm

Mikro ve standart boyuttaki komponentler için yüksek performanslı RT Micro serisi aktif uç teknolojili lehimleme ucu.

  • WXMP MS lehimleme el aparatı ile uyumlu.
  • Mikro ve standart boyuttaki komponentler için yüksek performanslı aktif uç teknolojili lehimleme ucu
  • Çok yönlü performans sağlar (Havacılık, Askeriye, Elektronik, Sensör, Tıbbi Cihazlar, Otomotiv)

Teknik Şartname



Videolar

Bağlantılı Ürünler


0